Main advantages of Prestressed CFRP laminate system

Compared with the direct bonding of carbon fiber, the prestressed CFRP strip system can not only effectively utilize the high strength of carbon fiber, save the amount of carbon fiber, reduce the total cost of the project, but also inhibit the deformation and crack development of the component, effectively improve the bearing capacity of the concrete structure, and improve the mechanical performance of the concrete structure.

2020-03-26 13:28:44

Structural Strengthening with Pre-stressed CFRP Strips

Prestressing CFRP strip can greatly improve the strength and stiffness of the reinforced concrete members, and reduce the deflection and deformation of the structure more effectively, and can reduce and seal the cracks

2018-04-03 14:56:43

Externally bonded CFRP plates for strengthening

Externally bonded CFRP plates for strengthening: construction preparation, basic surface treatment, preparation carbon fiber plate resin, externally bonded CFRP plates, fixed CFRP plates, surface protection.

2018-04-03 14:26:19

Reinforcement Rusting with Cracks on Concrete Constrution

In the absence of cracks, the alkaline environment causes the formation of an oxide film on the surface of the steel bar to prevent corrosion. After the crack appeared, the CO2 neutralized the alkaline environment and the oxide film disappeared.

2020-03-26 13:33:00

Steel plate bonding reinforcement application

Steel plate bonding reinforcement method has been widely used in strengthening engineering, its basic principle is using high performance epoxy adhesive bonded the steel plate to the concrete, so as to form a unified whole, to achieve the purpose of strengthening and enhancing the strength and stiffness of the original structure.

2018-03-28 14:53:08

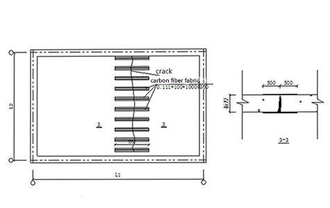
The amount of adhesive should be enough by CFRP strengthening

Carbon ifber adheisve, the amount of 200g carbon fiber fabric is 0.7-0.9 kg per square meter Carbon ifber adheisve, the amount of 300g carbon fiber fabric is 1.1-1.3 kg per square meter Multilayer carbon fiber cloth, from the second floor, the amount of carbon fiber glue can be properly reduced (per square metre 0.1-0.2 kg).

2020-03-26 13:33:54

CFRP sheets for flexural strengthening of RC beams

Calculated parameters for flexural strengthening of RC beams using carbon fiber reinforced polymer(CFRP) sheet​.

2018-03-27 14:30:01

Characteristics of Pre-stressed CFRP plate reinforcement

Reinforcement technology of prestressed carbon fiber reinforced polymer laminate is 4-6 times higher strength than that of non prestressed carbon fiber reinforcement technology.t can not only improve the bearing capacity of concrete beams, but also significantly improve the service performance of reinforced beams.

2018-03-26 15:37:00

Difference between pre-stress CFRP plate and carbon strip

The carbon fiber strip and prestressed CFRP plate​ are all carbon fiber strip in the final analysis. The difference between the two is from the different reinforcement methods they belong to.The reinforcement methods of carbon fiber cloth and carbon fiber strip are all passive reinforcement, and the prestressed CFRP plate is the active reinforcement.

2020-03-25 10:40:13

Drawing test of epoxy anchoring adhesive

Drawing test is the most effective method to test the effect of rebar planting. The HM-500 injection type rebar adhesive is 100% through the experiment or on the spot.

2020-03-25 10:57:35
Back
Top
Close